51106

产品简介:
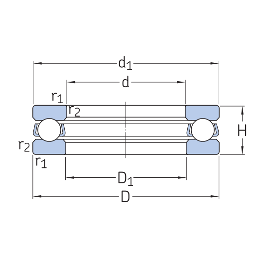
  •  
  • 轴承型号
  • 现行代号
    51106
  • 内径
  • d
    30
  • 外径
  • D
    47
  • 厚度
  • B
    11
  • 基本额定动载荷
  • C
    19kN
  • 基本额定静载荷
  • C0
    43kN
  • 疲劳载荷
  • Pu
    1.6kN
  • 参考转速
  • 参考转速
    6000r/min
  • 极限转速
  • 极限转速
    8500r/min
  • 轴承类型
  • FAG
    推力球轴承

51106推力球轴承的用途:只适用于承受一面轴向负荷、转速较低的机件上,例如起重机吊钩、立式水泵、立式离心机、千斤顶、低速减速器等。轴承的轴圈、座圈和滚动体是分离的,可以分别装拆。

上海凯弗勒机械设备有限公司是上海地区一家进口轴承经销商,现货充足,我公司自成立以来以优良的售前技术支持及售后跟踪服务面对每一位客户,公司坚持勤奋务实的经营作风,在竞争日异激烈的轴承行业中,坚持自身,尽心满足各种客户要求。 轴承产品广泛用于机械设备、水电水利、工程、铁路、 汽车、钢铁、电力、纺织、包装、医疗、冶金、矿山、石油、电力、造纸、电子计算机、电机、运动 器材、办公设备、仪器仪表、汽车电机、精密仪器等领域。 公司所经营的产品价格合理,保证质量,交货期快,为了满足客户的需求,公司备有现货库存,拥有专业的技术销售人员迅速回复客户的问价,随时为客户提供技术服务,为客户提供优良的售前售后服务。

上海凯弗勒机械设备有限公司

电话:021-31300567(十条线)

24小时服务热线:18121011197  18001650440

企业邮箱:xujin@kevfulzc.com

Q Q :270076125

地址:上海市金山区景乐路228号

24小时服务微信

24小时服务微信